Beschreibung
Product detailed description
Product Feature
New three-axis linkage motion mode to achieve comprehensive controlling
Support XYZ axis driver and spindle error alarm function
Large storage space, perfect U disk compatibility, fast reading speed, safe and reliable U disk-processing.
Support intelligent file checking function.
Parameter backup and restore function to prevent the loss of important parameters.
High anti-jamming intensity passes many CE tests.
Intelligent processing memory, supports power fail safeguard and breakpoint function.
Definable I/O interfaces provide customers a wide range of development platforms.
Product Parameters
Product Model RichAuto—-A11
CPU DSP
Internal Memory 512Mb
Display Screen 128*64 Monochrome LCD
Communication Port USB
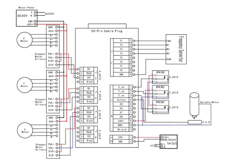
Controlled Axis Number 3 axis
Control Signal differential signal
Drive System step motor/servo motor
Minimum Input Unit 0.001mm
No Volt Protection Support
Breakpoint Processing Function Support
External Power Supply Voltage 24V DC
Manual Mode Continuous、point move、distance
Interpolation Method line、arc、curve
Soft/Hard Limit support
Maximum Pulse Frequency 1M/S
Password Protection support
Support Language simple Chinese/traditional Chinese、English、other languages
Standard Configuration (1) DSP Handle;(1) 50 core cable (1)USB cable; (1)8 I/O Wiring board










